Local Legend Don't Call It An S10

I wasn’t sure what ratio to get but I went with 4.56 on my 3.4 V6 Tacoma with 35’s due to the same reason of not wanting to be winding the engine going on 3+ hour freeway drives to get to places I go to off road but wanting at least a factory feel with shorter gears for the bigger tires. I have a super charger, manual and I got a heavy weight 38 lb flywheel from LCE. One day I’ll see if I was right once it runs and drives.
 
That's what I'm finding! Definitely a stand up guy. I really appreciate him!

I got all my 8.8 parts from Alec when i was rebuilding my expo 8.8 in my ranger. He even called me and walked me through setting up the gears over the phone. He never hesitates to help me out. I'm glad you went with him!
 
Smart move going to the S case. I broke my factory carrier bearing caps with 31 spline Detroit on my old v6 Toyota. Upgraded to S case and never had a problem after that AND the guy i sold the truck to did a 383 SBC swap into it and ran that rearend for who knows how long.
 
Smart move going to the S case. I broke my factory carrier bearing caps with 31 spline Detroit on my old v6 Toyota. Upgraded to S case and never had a problem after that AND the guy i sold the truck to did a 383 SBC swap into it and ran that rearend for who knows how long.

He talked me into it. At the time I set up the initial gears I was on a pretty limited budget, hence using the used gears and only running 31 spline axles. I can't wait to start breaking it in next week. The case arrives tonight!
 
Some shipping issues getting the third member out to me caused a bit of a delay. Anyways, Alec is a standup guy and got me squared away with an all new third member, Patrick (GhanRacing) brought it down to me on Saturday, and I got it installed, along with new Spicer u joint straps. Threw in a new AC Delco alternator while I was at it, and drove it to work this morning. Battery took a full charge and held for a few days off the charger, but while driving it's only showing 11.3ish volts. Under load it goes to around 12.1V (like when the fans kick on high), but it's not inspiring a ton of confidence. Gonna stop by Autozone after work and have them test the battery, as I think it's cooked. It's a two year old Odyssey, which is pretty disappointing. Hopefully I can get it warrantied, otherwise I'll have to see what other options are out there.

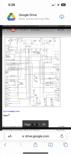
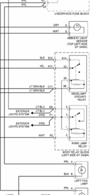
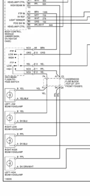
Also, headlights are still a no-go for some reason. I need to dive into that and see what's going on. May just put them on their own switch.
 
I'm pulling my hair out with this thing. Checked headlamp bulb sockets and getting 12ishV at each socket. Plug in a bulb in either socket and both drop to 0v. Remove the bulb and they go back to 12ishV

First off, I redid all the grounds I could find on the front end, and then I remembered these trucks have constant power to the headlights and the ground is switched, so the headlamp grounds are taken care of at the fuse box under the hood.

What should I be looking for at this point? Tomorrow I will separate the power and grounds for the headlights from the rest of the harness, which will hopefully let me find a broken wire or something? I’m not sure why completing the circuit with a bulb causes it to short).
 
A: That thing has daytime running lights, does it run through that module somehow?

B: If you have a good 12volts and connect a bulb/load and it drops the 12 volts down dramatically then there is a damaged/broken/pinched wire somewhere.

Start simple and replace each headlight circuit (right,left) fuse with a new fuse. Unplug connectors and pull on wires looking for loose pins. Check headlight switch connector pins for burnt loose connectors. You redid the while front grill area so even if wires look good from the outside they can be pinched and broken inside under the outer sheathing. Feel the wires with bare fingers and pay attention if you feel any flat or thin spots.

Grounds are a very good place to double and triple check.

Check sockets for burnt contacts.

Do the high beams work?
 
A: That thing has daytime running lights, does it run through that module somehow?

B: If you have a good 12volts and connect a bulb/load and it drops the 12 volts down dramatically then there is a damaged/broken/pinched wire somewhere.

Start simple and replace each headlight circuit (right,left) fuse with a new fuse. Unplug connectors and pull on wires looking for loose pins. Check headlight switch connector pins for burnt loose connectors. You redid the while front grill area so even if wires look good from the outside they can be pinched and broken inside under the outer sheathing. Feel the wires with bare fingers and pay attention if you feel any flat or thin spots.

Grounds are a very good place to double and triple check.

Check sockets for burnt contacts.

Do the high beams work?

New DRL and headlamp power relays. I can feel them click. Checked all fuses and they check out. Pulled, pushed, jiggled all the wiring. None of the loom is pinched from what I can see, but next step is to fully remove it all from the loom tomorrow to verify that. I’ve looked over the grounds more times than I can count. New multifunction headlamp switch. Socket contacts look fine, no corroding or burn marks. High beams work, fog likes work, parking lights are always on and behaving like the DRLs in that they automatically come on, you push the dome light button four times and they turn off, push it four times and they turn back on. But then they also behave like the turn signals, and they flash along with the turn bulbs (which stay constantly very dimly lit for some reason).

Something is screwy and I have no clue why
 
New DRL and headlamp power relays. I can feel them click. Checked all fuses and they check out. Pulled, pushed, jiggled all the wiring. None of the loom is pinched from what I can see, but next step is to fully remove it all from the loom tomorrow to verify that. I’ve looked over the grounds more times than I can count. New multifunction headlamp switch. Socket contacts look fine, no corroding or burn marks. High beams work, fog likes work, parking lights are always on and behaving like the DRLs in that they automatically come on, you push the dome light button four times and they turn off, push it four times and they turn back on. But then they also behave like the turn signals, and they flash along with the turn bulbs (which stay constantly very dimly lit for some reason).

Something is screwy and I have no clue why
Hey bro, have you checked your under the dash relay box? There’s a hidden and difficult relay box on the drivers side, under the steering wheel. It’s the body-relay block with about 10 relays all pertaining to headlights and DOM lights. I had issues with my s10 headlights not turning on, or randomly turning off,and I still had 12v to the light until the circuit was complete. I got under there unplugged everything and cleaned it with a can on compressed air and dielectric greased everything and that fixed my problem. There’s also a big ground wire under there.
https://blazerforum.com/forum/light...relay-block-location-removal-schematic-81664/
 
Hey bro, have you checked your under the dash relay box? There’s a hidden and difficult relay box on the drivers side, under the steering wheel. It’s the body-relay block with about 10 relays all pertaining to headlights and DOM lights. I had issues with my s10 headlights not turning on, or randomly turning off,and I still had 12v to the light until the circuit was complete. I got under there unplugged everything and cleaned it with a can on compressed air and dielectric greased everything and that fixed my problem. There’s also a big ground wire under there.
https://blazerforum.com/forum/light...relay-block-location-removal-schematic-81664/

I have not! Oh man that's a good find. I'll bet that's where my issue lies. That'll be the first thing I check when I'm off work! THANK YOU
 
  • Like
Reactions: Rg1
Hey bro, have you checked your under the dash relay box? There’s a hidden and difficult relay box on the drivers side, under the steering wheel. It’s the body-relay block with about 10 relays all pertaining to headlights and DOM lights. I had issues with my s10 headlights not turning on, or randomly turning off,and I still had 12v to the light until the circuit was complete. I got under there unplugged everything and cleaned it with a can on compressed air and dielectric greased everything and that fixed my problem. There’s also a big ground wire under there.
https://blazerforum.com/forum/light...relay-block-location-removal-schematic-81664/

I messed with everything down there and the headlamp ground relay works off the truck, but not on the truck. I reached out to a friend to see if he can come take a look at it for me. I’m in over my head. I’m guessing that is the source of the problem, but don’t know what to do about it. It’s a ground relay, so do I just snip the ground wire for it and run a new one?

21DE90C3-20B8-4D20-85E4-ED023D686DF7.webpAE3DC595-E1F7-4FEC-94BA-4AC85D9C9F9B.webp96AFDC0D-00A3-42C9-A043-E09C2D63F50E.webpDD3EE191-D439-4665-B08E-06CA850816C7.webp505802D5-1772-4305-98DB-6B2BB335342B.webp
 
  • Like
Reactions: Rg1
I messed with everything down there and the headlamp ground relay works off the truck, but not on the truck. I reached out to a friend to see if he can come take a look at it for me. I’m in over my head. I’m guessing that is the source of the problem, but don’t know what to do about it. It’s a ground relay, so do I just snip the ground wire for it and run a new one?

View attachment 28899View attachment 28900View attachment 28901View attachment 28902View attachment 28903
Oh wow. You could definitely pull the ground and repin it before cutting and rewiring.
But first I would make sure the master ground is cleaned, sanded and dielectric greased. I’d also start with pulling each relay and checking them, cleaning them, alittle dielectric grease and replugging them. Mine were oxidized, so the gremlins were intermittent. And sometimes I could smack my dash board and the jolt would turn my headlights back on. So when I cleaned off the oxidation and plugged it back in, they went away.
It seems the s10 platform is very ground sensitive.
Wiring is unfortunately my Achilles heel brother. I wish I could help more.
 
Oh wow. You could definitely pull the ground and repin it before cutting and rewiring.
But first I would make sure the master ground is cleaned, sanded and dielectric greased. I’d also start with pulling each relay and checking them, cleaning them, alittle dielectric grease and replugging them. Mine were oxidized, so the gremlins were intermittent. And sometimes I could smack my dash board and the jolt would turn my headlights back on. So when I cleaned off the oxidation and plugged it back in, they went away.
It seems the s10 platform is very ground sensitive.
Wiring is unfortunately my Achilles heel brother. I wish I could help more.

Wiring isn't my strong suit either. I pulled the relays under there and nothing looked corroded or oxidized. I blew compressed air in it and reinstalled with dielectric grease. The two grounds on the firewall didn't look like they've ever been touched and aren't corroded, but I'll try pulling them off, cleaning anyways, and reinstalling.

Thinking about it now, I don't recall seeing a ground strap from the cab to block or frame. I'm willing to be that's probably an issue. There may be and I just missed it?
 
I think you might have a short in the power wires to both headlamp bulbs. They both have their own power source so plugging in a bulb to one socket should not affect the other. So 12v should still be present in the empty socket with a bulb in one socket.
 
Back
Top