Sequoia Family Crawler

This was the second design and one hole is till off a bit but entirely usable. I used PETG same as. Switch panel used in the jeep for a few years without warping. I bought pc cf something before finding that my printer can't get to 280C. I also figured the intake air will keep it fairly cool.
 
I pulled my hair out quite a bit over wet PETG. Report to the 3D printing thread and I'll explain more.
 
I did design the relocation assembly on CAD, hand cut everything and built it. Needed to clear the shock and convert to a 2500hd master to match the caliper bore sizes.
Looks good! Do you know the PN of the master, or the application? 2000's Chevy 2500?
 
Looking through my notes, it's a 99-02 Chevy 2500HD with a bore of 37mm which is 1.45in It has 1/2-20 outlets that I put a Banjo bolt adapter to AN3 hardline on. Still haven't tried the brakes to see if how well they work, but the size is close to the stock F250 to match the calipers.
 
Yesterday was a big day, I was able get this thing assembled enough for a test drive out of the garage and around the neighborhood. By no means is it done but it was reassuring that it runs again.

I seem to have nailed the spring rates as it sits about level and rides pretty nice. The rear shocks need more rebound as it kicks a bit. The rear brakes don't work as I was never able to bleed them in garage. And the speedo doesn't work which is frustrating as it seems to shift fine.
PXL_20250907_223451632_exported_1757336638790.webpPXL_20250907_220230582.webpPXL_20250907_220207389.webp
 
In the Tacoma/Tundra chassis the speedometer gets its signal from a speed sensor in the tail shaft of the transfer case. The transmission has separate speed sensors that controls the shift solenoids through the ECU. The speedometer speed sensor goes to the speedometer in the dash then into the ECU.

The 4Runner of the same vintage uses the wheels speed sensors for vehicle speed.

I don’t know which system the Sequoia uses.

What year is your Sequoia, I have the Toyota EWD I’ll send it to you.
 
In the Tacoma/Tundra chassis the speedometer gets its signal from a speed sensor in the tail shaft of the transfer case. The transmission has separate speed sensors that controls the shift solenoids through the ECU. The speedometer speed sensor goes to the speedometer in the dash then into the ECU.

The 4Runner of the same vintage uses the wheels speed sensors for vehicle speed.

I don’t know which system the Sequoia uses.

What year is your Sequoia, I have the Toyota EWD I’ll send it to you.
I think that depends on if it is an abs model or not. I grabbed an 04 transmission from an abs model tundra and the speed sensor gear was not there and the port was blinded. I think all the sequoias are abs equiped so the speed would come from the tone rings but I may be wrong on that.

Sean
 
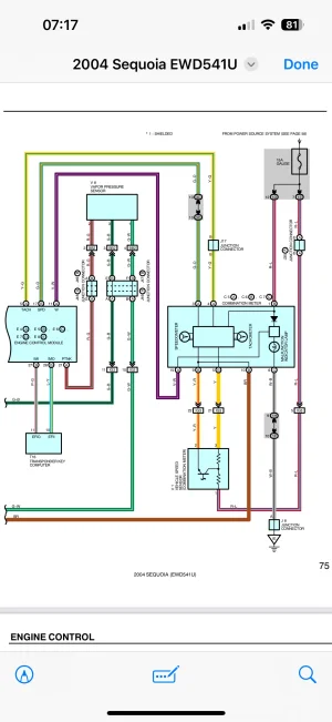
This is from the 2004 Sequioa EWD. Looks like it uses a speed sensor. There doesn’t seem to be any notes about a different diagram.

IMG_5310.webp
 
Mine is a 2003 with ABS. The 2wd output had two speed sensors, a two wire which pins to SP2- and SP2+ on the ECU and a three wire which runs to the combination meter then to the ECU. I changed the two wire to a pickup sensor with a right angle output for clearance reasons and it is lined up to a four pronged trigger wheel similar to the stock. The three wire is now on the tcase output so it is a Jeep with 8000ppr vs Toyota 4000ppr. I tapped into the Y-R wire with a Dakota Digital SGI-100BT to scale the signal by .50. It powers up, communicate via bluetooth and sends a test signal that sweeps the speedo to a set speed. I will try bypassing the SGI-100BT and see if it works with the scale off, but I am also leery of the Jeep VSS as it is spec'd for 5v and Toyota feeds it 12v so I may have fried it? I have a second one I could feed 5v to check as well. I really wish I could figured out a way to put a Toyota sensor in its place, maybe using the Advance Adapters Atlas Toyota speedo cable to electric adapter.
 
Mine is a 2003 with ABS. The 2wd output had two speed sensors, a two wire which pins to SP2- and SP2+ on the ECU and a three wire which runs to the combination meter then to the ECU. I changed the two wire to a pickup sensor with a right angle output for clearance reasons and it is lined up to a four pronged trigger wheel similar to the stock. The three wire is now on the tcase output so it is a Jeep with 8000ppr vs Toyota 4000ppr. I tapped into the Y-R wire with a Dakota Digital SGI-100BT to scale the signal by .50. It powers up, communicate via bluetooth and sends a test signal that sweeps the speedo to a set speed. I will try bypassing the SGI-100BT and see if it works with the scale off, but I am also leery of the Jeep VSS as it is spec'd for 5v and Toyota feeds it 12v so I may have fried it? I have a second one I could feed 5v to check as well. I really wish I could figured out a way to put a Toyota sensor in its place, maybe using the Advance Adapters Atlas Toyota speedo cable to electric adapter.


The transmission has shaft speed sensors for trans control that do not feed into the speedo. On the non-abs trucks. The sensor in the transfer case or tailshaft housing is what feeds the speedo. On the later model (04+) trucks, the abs ecu expects the tone ring signals and does speed off that, pages on the ewd. Pg 121 and 133 in the 2004 manual for the tundra.

Edit: just re-read, you have an 03. The tundra switched over between 03/04, the manuals/circuits are different. Disregard this post. My bad y'all.

Sean
 
Last edited:
Dang, I was hoping you were onto something. Best thing about being wrong is you know what to fix.
 
This sounds eerily similar to my rig. I’ll have to go back and see what I did to make mine work. I’m using the same Dakota, digital and the same Jeep speed sensor to make my Suzuki speedometer work. Iirc I wired in the Jeep speed sensor directly to the Suzuki wiring harness before I did the dakota digital to see just how far off the speedo was. It worked. It was just way fast.
 
Does the Suzuki power it with 12v? I have the Y-R sensor output wired to signal in and output 2 calibrated (oc). Set to low-low and tried both pullup on and off. I haven't yet tried out 4 which is 4000ppm and sounds like Toyota.

Honestly all I did last night was try to bleed the brakes again which got a lot of air out of the rears and found quite a few loose connections in the lines. They still don't work but I did drive the boys around quite a bit, got some video, and found the rear valving was way off and the rear slams down hard which may also be too light of spring rate.
 
When i get home tonoght, ill look and see how i wired mine. I intercepted the input signal to the ecm and let the dakota change it from there for output to ecm/gauge. Mine uses a single input but banches/spliced in so one feeds ecm and other feeds gauge
 
Alright, heres how i did mine

Input from speed sensor signal, output from out3. For some reason, when i was trying to figure all this out, the ppm didnt line up with either the way dakota explains it or the way i thought it should be in my head

This is how the rest is setup from there
IMG_2457.webp

Iirc, when i did the test frequency, this made my speedo needle jump. The other outputs did not.
 
Mine is real similar and I tried other outputs but the speedo only reacts to the test on out2. Does the raw frequency show up on the diagnostic page?
 
Back
Top